预售产品
- 16mm高性能电机(62)
- 10mm高性能电机(25)
- 8mm高性能电机(64)
- 10mm高性能电机(64)
- 10mm高性能电机(256)
- 8mm高性能电机(16)
- 12mm高性能电机(21)
- 6mm高性能电机(221)
- 12mm高性能电机(103)
- 12mm高性能电机(231)
- 16mm高性能电机(21)
- 6mm高性能电机(15)
- 8mm高性能电机(64)
- 10mm高性能电机(64)
- 12mm高性能电机(138)
- 16mm高性能电机(138)
- 22mm高性能电机(43)
- 26mm高性能电机(1526)
- 32mm高性能电机(138)
- 38mm高性能电机(150)
- 42mm高性能电机(62)
- 42mm高性能电机(83)
- 6mm高性能电机(57)
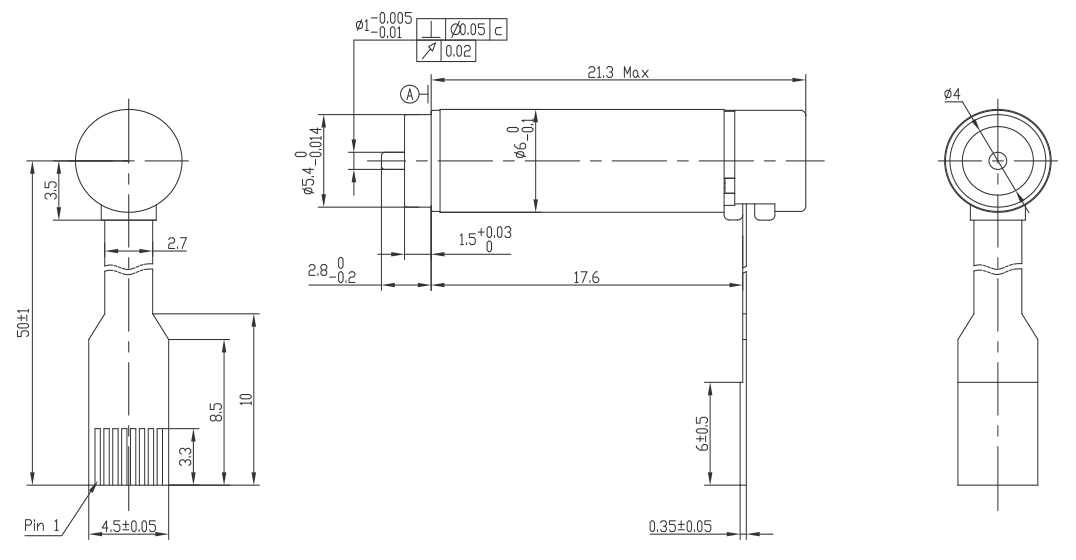
Φ6mm 无刷空心杯电机
产品型号:MC0623
直径(mm):6
长度(mm):23
额定电压(V):12
额定转速(rpm):46800±10%
堵转转矩(mNm):1.5±7%
堵转电流(A):0.85±20%
转矩常数(mNm/A):1.73±20%
速度常数(rpm/V):5523±20%
输出轴直径(mm):1
| 电机数据(额定值) | |||
| 额定电压(V) | 12 | ||
| 空载转速(rpm) | 63400±10% | ||
| 空载电流(A) | 37±50% | ||
| 额定转速 (rpm) | 46800±10% | ||
| 额定转矩(mNm) | 0.4 | ||
| 额定电流(A) | 0.256±50% | ||
| 堵转转矩(mNm) | 1.5±7% | ||
| 堵转电流(A) | 0.85±20% | ||
| 最大效率(%) | 63±7% | ||
| 电机常数(额定值) | |||
| 相间电阻(Ω) | 14.4±10% | ||
| 相间电感(mH) | 0.1±10% | ||
| 转矩常数(mNm/A) | 1.73±20% | ||
| 速度常数(rpm/V) | 5523±20% | ||
| 转速/转矩斜度( rpm/mNm) | 45972±20% | ||
| 机械时间常数(ms) | 2.84±20% | ||
| 转子惯量(gcm2) | 0.007±20% | ||
| 热参数 | |||
| 机壳-环境热阻(K/W) | 67.9 | ||
| 绕组-机壳热阻(K/W) | 15.2 | ||
| 绕组热时间常数(s) | 1.54 | ||
| 电机热时间常数(s) | 71.5 | ||
| 环境温度(℃) | -20~+100 | ||
| 最高绕组温度(℃) | 125 | ||
| 机械参数(滚珠轴承) | |||
| 最大允许转速(rpm) | 100 000 | ||
| 最大轴向间隙(mm) | < 0.15 N 0 | ||
| > 0.15 N 0.06(max) | |||
| 径向间隙 | preloaded | ||
| 最大轴向动态载荷(N) | 0.1 | ||
| 最大允许安静态装力(N) | 10 | ||
| 最大径向载荷,距离法兰处2mm处(N) | 2 | ||
| 端子型号 | |||
| Molex 52745-0897 52207-0460 | |||
| FCI SFV8R-2STBE1HLF SFW4R-2STGE1LF |
设计图纸
热门产品查看更多
应用场景
MILE米乐 — 微型驱动系统制造商
认准于研制、工作精细驱使下载平台,为朋友出具智力驱使下载方案怎么写订制,加工零件的工作与組裝的订制化工作













二手车电子无线
智慧生活医学
智力消费者
POS机人
Φ6mm 无刷空心杯电机规格书