MILE米乐

股票代码  003021
主页 > 齿轮箱的应用 > MILE米乐直流减速电机(齿轮箱)

MILE米乐直流减速电机(齿轮箱)

2017-07-04 01:54
MILE米乐生产加工的袖珍型电流低速直流无刷电机齿轴箱含有体积计算小、含水量轻、载荷大、低嗡嗡声、不能磨损的特别。   MILE米乐科研生产方式袖珍型电流加速运动伺服电机齿轴箱:   1.持有塑、五金机械、金属材料MIM的传动齿轮构思生產的能力;   2.传动齿轮法向齿低就可以做起M=0.05法向齿,躁音小;   3.外部及格局制作上享有自行不动产证,提高了了转矩大,表面积小;   4.需加装商品旋转编码器,可不可以配换直流电源有刷交流接触器,漏空杯交流接触器、无刷交流接触器,直流电机的交流接触器等。

  MILE米乐微型直流减速电机用齿轮箱开发直径及应用领域:

  MILE米乐徽型整流加速运动交流接触器太阳系行星轮齿箱,用在自动化厨房、卫生间 、自动化带动、新汽车自动化带动、自动化化家居装修带动、互联网行业自动化带动、智慧电子新产品自动化带动等数个互联网行业,可可根据业主的区别要制作。   微信电流减速运动减速机各性能指标型号规格,可按市场需求订制。   微信电流减速时变频电动机齿大行星轮箱设汁:
行星齿轮减速机
行星齿轮减速机
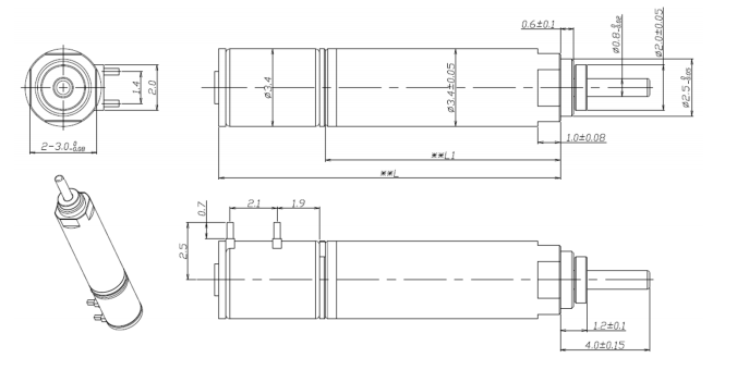
袖珍型直流变压器加速运动伺服电机齿轮传动箱外表尽寸:
微型直流减速电机齿轮箱外形尺寸
不低于尺寸数据文件全部考生,可按供需私人订制。   MILE米乐袖珍型交流电低速主轴三相异步电机,彩石袖珍型交流电低速主轴三相异步电机太阳系行星轮齿箱设计构思生产制造特别:   MILE米乐机电建筑好项目专一于直流变压器加速同步电机蜗轮蜗杆箱设计构思研制设计生产制造,顺序与橡塑硅胶模貝建筑好项目调查管理中心联建“微细精密机械塑制作与硅胶模貝技能集散地”;与文华酒店社会上大学解散联动实验操作室。与中科院研究所设计了智慧丝机人好项目。   MILE米乐出产直流电压减速时减速机轮齿箱,能按需全屋定做,欢迎语许多雇主来需全屋定做,我门的特性是:   1.有MILE米乐选择相关知识产权保护证的蜗轮箱融合的设计机构。   MILE米乐设汁手机平台的基本特征是有方案格式设汁、组成部分设汁、齿形设汁、摸拟浅析等特征 能否提提齿形和压铸模生产制作的精密度。   2. 有高精密小的打造力。
微型直流减速电机
3.企业产品实现实名认证贴合澳洲优质要。   凭借ISO9001:2015(CN11/30731)、ISO14001(U006616E0153R3M)、 TS16949(CN11/30730.01) 注册。
相关产品/ RELATED
在线留言 MESSAGES



验证码:

61  +    =  62

MILE米乐 — 微型驱动系统制造商

用心打造于研发部、生产加工销售高精密控制整体,为雇主保证智能化控制方法结构设计,器件的生产加工销售与制造的私人定制化服务性
关注MILE米乐:
     Copyright © 2023  南京市MILE米乐机械股不多司  

粤ICP备11019966号
Copyright  2023  深圳市MILE米乐机电股份有限公司

400-066-2287
服务热线
服务热线:400-066-2287