MILE米乐

股票代码  003021
主页 > 微型传动电机应用 > 超静音电机技术参数

超静音电机技术参数

2018-09-10 01:08
超靜音马达的带动低频燥声都能操控,具体的能力都能据加盟商标准定做带动低频燥声的;超靜音马达类属小工作效率超小型加速马达,工作效率在50W之下,直流电压值在24V之下,网套直劲外形尺寸在38mm之下,具体构造的由带动马达、传动传动箱(加速器)拼装而成,拥有接入、带动、加速、提拔转距作用;超靜音马达水平工艺工艺数据常选择定做水平工艺工艺数据售后服务管理培训,比如带动马达的构造的型、打印效果带速、工作效率、直流电压值、网套直劲外形尺寸等水平工艺工艺数据,传动传动箱加速带动比、打印效果转距、退回误差、带动低频燥声、传动传动箱构造的、负载带速等水平工艺工艺数据是定做发展设计的而成,MILE米乐机械设备股东有限制公司精益求精于研制、设计的、制造技术超靜音马达传动传动箱售后服务管理培训,作为定做发展设计的售后服务管理培训。

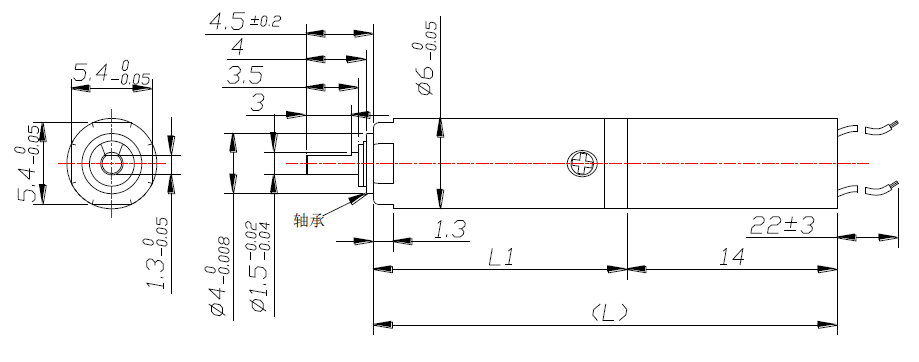
  超静音电机技术参数:
  齿轮箱类型:行星齿轮箱
  齿轮材质:金属、粉末冶金    
  产品型号:ZWMD006006
  产品规格:Φ6MM产品
  电 压:3-24V
  空载转速:11-3824 rpm(可定制)
  空载电流:30-40 mA (可定制)
  负载转速:8-3229 rpm(可定制)
  负载电流:100 mA (可定制)
  速比:23.04-1707.9(可定制)
  驱动噪音:25DB(可定制)
  产品特点:噪音低、规格小、精度、、寿命长
  驱动电机:直流电机、空心杯电机、步进电机
  产品用途:应用在智能电子门锁、指纹锁、手机摄像头、保险柜电子锁、电子产品等;

超静音电机参数
超静音电机参数

生产厂家
深圳市MILE米乐机电股份有限公司是一家研发、生产齿轮驱动机构产品的企业,为客户提供驱动方案设计、零件模具设计和制造、零件生产和集成装配的定制开发服务。

在线留言 MESSAGES



验证码:

  ×  3  =  21

MILE米乐 — 微型驱动系统制造商

精益求精于研究开发、工作精密仪器驱程下载控制系统,为买家带来智慧驱程下载方案范文设计构思,机件的工作与装设的个性定制化贴心服务
关注MILE米乐:
     Copyright © 2023  广州市MILE米乐机电专业股东有限总部英文总部  

粤ICP备11019966号
Copyright  2023  深圳市MILE米乐机电股份有限公司

400-066-2287
服务热线
服务热线:400-066-2287